第一场石锤密室:张小浩、英语郑老师、电工潘老师、政治郑老师、数学董老师。
第二场新石板密室:张小丽、电工潘老师、师母童老师。
第三场石像密室:张小丽、英语郑老师、靳谷、政治郑老师。
第四场炸弹密室:张小丽、英语郑老师、电工潘老师。
第五场悬崖密室:张小丽、英语郑老师、张小浩、数学董老师、靳谷、政治郑老师、电工潘老师、师母童老师。
第六场宝藏密室:全体。
疯狂的麦咭之快乐星球六版即将开始,石头城全新升级,神秘密室待解锁,快乐星球剧组席卷石头城,今天来到石头城是空轨职业学校的师生们,龙凤胎兄妹15班班长张小浩和18班班长张小丽,教师夫妇18班班主任潘老师和师母童老师,数学英语教师15班班主任郑老师和数学董老师,最佳师生搭档政治郑老师和18班大哥大靳谷,快乐来袭一起快乐挑战吧!
全体:哇呜(鼓掌)。
靳谷哇好熟悉的地方。
张小浩感觉回到了快乐星球。
郑老师麦咭。
麦咭麦咭麦咭麦咭。
童老师噢,来了。
张小丽麦咭。
潘老师Hello。
麦咭欢迎各位老师和同学来到我的石头城,大家对这里熟悉吗?
靳谷简直跟快乐星球一模一样。
张小浩对。
麦咭麦咭知道你们要来刻意把我的加油室变成了快乐星球的实验室。
郑春旭老师怪说不得那么出熟悉。
麦咭各位老师和同学介绍一下自己呗。
张小浩Hello,大家好,我是15班班长张小浩
张小丽大家好,我是小浩的龙凤胎妹妹18班班长张小丽。
潘老师大家好,我是18班的班主任潘老师,戏外是张小丽他们班电工老师。
童老师大家好,我是潘老师的妻子18班的师母童老师,戏外也是张小丽他们学校的一名老师。
郑老师大家好,我是15班的班主任郑老师,戏外是张小丽春招班班主任。
董老师大家好,我是数学董老师,戏外也是张小丽他们的数学老师。
靳谷大家好,我是靳谷,18班的大哥。
郑春旭老师大家好,我是政治郑老师,戏外也是张小丽他们政治老师。
麦咭哇,麦咭大吃一惊!原来你们角色是老师现实也是一位老师呀!
张小浩因为我们快乐星球第六部基本上都是本色出演,编剧张小丽写的故事基本上都是她的新生经历。
张小丽对,故事里面的人物都是真实人物,所以张导就觉得还不如本色出演,自己平时怎么做的就怎么演。
靳谷老师们平时怎么讲课怎么处理事情就怎么演,我们学生怎么在学校生活怎么学习的就怎么演。
张小浩除了老师和同学们是本色出演以外,我和小丽的家人也是本色出演,也是平时家人之间怎么相处的就怎么演。
麦咭哇,你们快乐星球剧组真厉害,聊天归聊天言归正传来我的好朋友快乐球带来着三个宝箱看看你们第一个要去的历险是张小丽来抽抽。
张小丽3号。
麦咭哇石锤密室,要去石锤密室的是张小浩。
靳谷唔,小浩。
麦咭郑妙老师。
张小浩呜,妙姐跟我一起。
麦咭潘老师、郑春旭老师。
郑老师哇,潘哥,旭哥,不错,不错。
麦咭董老师,希望你们为快乐星球剧组赢更多的石像。
张小浩好。
麦咭那我们就一起出发吧!
音乐串烧《我们去探险快乐小神仙》
郑春旭老师来了。
张小浩哇,拜拜。
郑老师哈哈。
郑春旭老师这是什么?
潘老师独木桥。
董老师哇,那石锤。
张小浩往前走。
郑春旭老师董妹在最后。
郑老师就按这个顺序我第二个好不?
潘老师我觉得你们这样过来会安全点。
室外
靳谷天呀,这密室跟以前一样恐怖。
张小丽以前你来过?
靳谷电视里面看到过。
室内
麦咭麦咭麦咭麦咭。
张小浩麦咭来了。
麦咭小浩和各位老师们感觉如何呢我的石锤密室?
张小浩非常棒。
郑老师Very good.
麦咭哇,不愧是老师耶,要是其他人来到我的石锤密室就会说是我的小石锤一点都不可爱,而你们直接飙英语,那就让我的小石锤给你们打招呼吧!
小石锤开始启动砸过来。
张小浩哎哟,太吓人了。
董老师terror,very terror.
麦咭哈哈,那就开始吧!
播音员:石锤密室历险现在开始。
道具开始上升。
播音员:请选派一人进行作答。
郑春旭老师我觉得第一轮由。
潘老师我来吧,第一个做好带头作用。
郑老师好的,潘哥最勇敢。
张小浩潘老师来的话那我们要换个位置哟?
潘老师对,妙妹和小浩在后面来我在前面。
室外
童老师哇,他们在那么窄的地方换位置。
室内
全体:加油。
董老师潘哥靠你了。
室外
张小丽潘老师加油。
室内
播音员:请潘老师进入答题区。
郑春旭老师我建议你趴着过去。
董老师这个就是这样的?
郑老师对。
室外
靳谷哇,好摇晃。
室内
董老师那怎么过去呀?
郑春旭老师而且这晃动很大。
张小浩对,潘老师加油。
潘老师我觉得抱着会安全点(纵身一跃)。
全体:哇。
郑老师慢一点。
潘老师只要坐上就没事了。
门关上了。
张小浩这个很不稳定,你看他那个倾斜幅度越来越大了。
播音员:请通过答题开启接球游戏,累计获得5颗球即可通关第1轮挑战限时两分钟。
大家悬着的心终于松了口气。
郑老师哦,接球,接球对潘哥来说很容易。
郑春旭老师未必人家就是打篮球的嘛。
张小浩看来这一轮让潘老师去是正确的。
播音员:答题开始,请听题,请问古人说的碎金饭是指现在的哪种食物?
郑老师蛋炒饭,蛋炒饭。
潘老师蛋炒饭。
播音员:叮咚,回答正确。
郑春旭老师厉害。
潘老师拍了红色按钮,准备接球,掉下来两个球接住一个。
董老师接住了?
潘老师一个一个。
郑春旭老师好好好。
郑老师要是多接几个就好了。
潘老师它就掉了俩。
播音员:下一题,请听题,大鱼治水治的是什么流域?
潘老师黄河流域。
播音员:叮咚,回答正确。
张小浩哇,厉害。
潘老师能不能多给我几个球呀?(拍下红色按钮)。
张小浩落十个这次。
掉下三个球接住了一个球。
郑春旭老师好好。
潘老师两个。
郑春旭老师好没问题好太棒了。
播音员:请听题,鸟在什么环境下会失眠?
郑春旭老师噪音。
潘老师噪音。
播音员:蹦。
郑老师飞行。
潘老师飞行。
播音员:蹦。
张小浩孵蛋。
潘老师孵蛋不可能,亮的,亮的。
播音员:叮咚,回答正确,时间还剩一分钟。
拍下红色按钮。
郑老师加油,多接几个。
掉下来三个球接了两个。
播音员:请听下一题为什么企鹅要竖着排队行走?
潘老师安全。
播音员:叮咚,回答正确。
拍下红色按钮,掉下四个球,接了三个。
郑春旭老师够了够了。
播音员:球已接满,一共接了7个球。
董老师哇还多接两个。
郑老师不愧是打篮球的随便都接得住。
张小浩可以了,成功了。
郑老师(鼓掌)耶。
郑春旭老师厉害。
播音员:距离石锤砸下还有5秒,请迅速移至安全区。
啪啪啪。
郑春旭老师快快快爬上去。
潘老师爬上了安全区,石锤也砸过来了。
董老师哇。
张小浩潘老师你最棒。
郑春旭老师不亏是智力担当和体力担当呀。
室外
靳谷哇,太厉害了。
张小丽哈哈,郑老师说的很对,这一轮让一位理工老师又会打篮球的挑战绝对成功。
童老师你们把他说的这么厉害,怎么在家里我没有感受到呢?
靳谷啊,哈哈。
播音员:请剩余挑战者移至第二石桥。
靳谷哇他们第一关已经过了好轻松呀!
室内
门打开了。
董老师唉,这么快就打开了。
播音员:第二石桥挑战开始,请确认挑战者。
郑老师我来吧!
张小浩那又要换位置呀?
潘老师对,小浩我们在后面去。
郑春旭老师扶他们一下。
播音员:请郑妙老师进入答题区。
全体:妙妙妹加油啊!
室外
靳谷这点难。
张小丽主要是它要晃。
室内
郑春旭老师左右晃是吧?
董老师小心脚。
郑春旭老师抬她一下,在后头抬点,对对。
室外
张小丽郑老师加油。
室外
张小浩这个晃着很大也。
潘老师然后我们帮你答题。
门关上了。
播音员:请通过拍中圆盘选项完成作答,累计拍五道题则挑战成功每个人限时一分钟。
郑老师这么快吗?
请进行下面选项中解的正确读音是什么?(A.押解jie四声 B.押解jie三声 C.押解xie四声 D.押解xie三声)
董老师押解(jie四声)。
郑春旭老师解(jie四声)蓝色。
张小浩我们要拍蓝色。
郑老师蓝色是吧?
潘老师拍准了蓝色是在黑色后面。
郑老师是在蓝色的时候拍的但是转到了黄色。
播音员:蹦,回答正确,但是拍错了。
董老师拍错了?
郑春旭老师不是。
郑老师我拍的是蓝色。
郑春旭老师她拍的是蓝色呀,这怎么回事?
播音员:请听题“囧”的本意是什么?(A.光明 B.尴尬 C.抱歉 D.开心)
潘老师蓝色光明。
董老师蓝色是在黑色后面。
张小浩黑色后面。
郑春旭老师黑色的时候拍。
郑老师太及在红色的时候拍于是黑色和蓝色各一半也算拍错。
全体:哎呀!
播音员:蹦,回答正确,但是拍错了。
室外
童老师有难度这个。
张小丽对,因为他不只要知道答案还要观察规律这个很难。
室内
播音员:时间还剩10秒,请听下一题在古代跳远是为了什么?(A.锻炼爆发力 B.躲避野兽 C.增强肌肉 D.体育竞技)
郑春旭老师为了躲避野兽。
潘老师妙妙妹多拍几个。
由于时间不够郑老师随便拍了个。
播音员:蹦,回答正确,但是拍错了,时间到,很遗憾郑妙老师石锤密室历险失败。
张小浩啊?这就失败了?
播音员:请趴好,做好准备。
室外
靳谷哇。
张小丽好吓人。
室内
郑春旭老师要不要跪着?
啪啪啪。
潘老师快坐稳坐稳。
张小浩郑老师小心。
郑老师啊(吓得自己跳下去了)。
然后石锤砸过去了。
播音员:蹦,很遗憾,郑妙老师石锤密室历险失败,请选派一人继续作答。
潘老师还是我来吧,不用选了。
张小浩潘老师加油。
全体:加油。
播音员:还需拍对五题,请问霸王指的是项羽那么小霸王指的是谁?(A.孙策 B.周瑜 C.孙权 D.曹操)
潘老师小霸王孙策A蓝,先黑拍了试试,如果不行下一次就提前两个拍。
郑春旭老师看着黑好拍。
潘老师正好在黑色拍的转到了黄色。
播音员:蹦,回答正确,但是拍错了。
张小浩哎呀。
董老师那还真的要提前两个拍。
播音员:请听下一题蜘蛛大量吐丝结网预示着什么?(A.天要转晴 B.求偶 C.繁衍后代 D.搬家)
潘老师天要转晴。
郑春旭老师天要转晴OK。
董老师蓝看到黄就拍。
潘老师看到黄色就拍终于拍正确了。
播音员:叮咚,回答正确。
郑春旭老师漂亮。
潘老师太不容易了。
室外
靳谷哇,终于拍正确了。
室内
播音员:时间还剩30秒,请听下一题,企鹅的脚趾有几根?(A.两根 B.三根 C.四根 D.五根)
潘老师三根那红色的时候拍(正好红色的时候拍又拍正确了)。
播音员:叮咚,回答正确。
张小浩Yes.
播音员:时间还剩10秒,请听下一题全球唯一没有蚊子的国家是哪一个?(A.冰岛 B.俄罗斯 C.荷兰 D.巴基斯坦)
潘老师没有蚊子啊?冰岛,看到黄色拍(正好到黄色就拍了又回答正确)。
播音员:叮咚,回答正确。
全体:耶。
播音员:但是时间到了,请趴好,做好准备。
啪啪啪。
潘老师我已经尽力了剩下的靠你们了。
石锤锤向潘老师。
潘老师啊。
播音员:蹦,很遗憾,潘老师石锤密室历险失败。
室外
靳谷哇,太可惜了。
张小丽这砸的太痛了。
童老师别说了小丽,越说我越心疼。
张小丽对不起,我忘了童老师你在旁边。
室内
张小浩我们的主担当没了。
董老师接下来真得靠我们了。
播音员:请选派一人继续作答,已答对三题还需答对两题。
郑春旭老师我来吧,没事就两题,我们已经找到了规律,离成功就差一步之遥了。
播音员:请郑春旭老师进入答题区,请听题,请问象宝宝通过什么方式获得安全感?(A.进食 B.含自己的象鼻 C.奔跑 D.蜷缩身子)
郑春旭老师含自己的鼻子,然后我是。
董老师红色的时候拍。
郑春旭老师(正好在红色的时候拍,又回答正确了)对了。
播音员:叮咚,回答正确,我国的鞠躬礼起源于?(A.祭天的仪式 B.降者伏地叩首 C.见长者表示尊敬 D.对人表示感谢)
郑春旭老师A祭天的仪式黄色的时候拍(正好在黄色的时候拍又拍正确了)。
播音员:叮咚,回答正确,累积拍对五题,挑战成功。
全体:耶。
播音员:距离石锤砸下还有五秒,请迅速移志安全区。
啪啪啪。
郑春旭老师(爬到了安全区):哎哎。
播音员:请剩余挑战者移至第三石桥。
室外
靳谷(鼓掌)唔。
室内
麦咭麦咭麦咭麦咭,怎么只剩你们三个人了呀?
张小浩是呀只剩我们三个人了。
麦咭你们要接受我们的终极挑战了,你们准备好了吗?
全体:准备好了。
麦咭加油哟。
室外
全体:加油。
室内
道具开始上升。
播音员:第三石桥挑战开始,请选派一人进行作答。
郑春旭老师还是我来。
张小浩郑老师加油!
播音员:请郑春旭老师进入答题区,请通过铁闸进行答题连续完成是否八连问,限时一分半。
门关上了。
董老师他这个就是这样吗?
张小浩就是像跷跷板一样吗?
郑春旭老师那还行。
播音员:请听题,第一题,山泉水中是否含有盐分?
董老师有。
郑春旭老师有(把铁闸往上按)。
播音员:叮咚,第二题,有鱼可以长时间离开水?
董老师对。
郑春旭老师是的(把铁闸往上按)。
播音员:叮咚,第三题,海参需要冬眠?
董老师应该需要。
郑春旭老师是的(把铁闸往上按)。
播音员:蹦,回答错误,重启是否八连问,第一题,南极洲没有本地户口居民?
郑春旭老师没有(把铁闸往上按)。
播音员:叮咚,第二题,纳木错是我国海拔最高的湖泊吗?
郑春旭老师是的(把铁闸往上按)。
播音员:叮咚,时间还剩30秒,第三题,翼龙是恐龙?
张小浩不是。
郑春旭老师不是(把铁闸往下按)。
播音员:叮咚,第四题,企鹅有膝盖?时间还有10秒。
郑春旭老师没有膝盖(把铁闸往下按)。
播音员:叮咚,第五题,考拉喜欢吃桉树叶?
张小浩对。
郑春旭老师是的(把铁闸往上按)。
播音员:蹦,回答错误,时间到了,请趴好。
啪啪啪。
郑春旭老师等一下你们加油。
张小浩考拉不是吃桉树叶吗?我们初中英语老师讲的好像是呀?
石锤向郑春旭老师砸过来。
郑春旭老师啊。
播音员:蹦,很遗憾,郑春旭老师石锤密室历险失败。
直播课上作业帮好成绩有人帮,作业帮直播课提醒您,考拉吃桉树叶不是因为喜欢,而是因为实在抢不过别的动物,只能吃这种其他动物看不上的树叶。直播课上作业帮好成绩有人帮,作业帮直播课为您加油。
张小浩唉董老师就剩我们两个了。
室外
靳谷安排五个人到现在只剩两个人了,麦咭太坑了。
室内
张小浩在回忆。
郑老师啊(吓得自己跳下去了)。
潘老师我已经尽力了剩下的靠你们了。
石锤锤向潘老师。
潘老师啊。
郑春旭老师等一下你们加油。
石锤向郑春旭老师砸过来。
郑春旭老师啊。
连续失去队友(老师)张小浩内心十分不好受。
播音员:请选派一人继续作答。
张小浩那我先来吧现在只剩我一个男子汉了。
董老师还是我去吧,我是大人。
张小浩我主要是不想再看别人掉下去了,董老师你帮我答题哟。
董老师行,加油。
播音员:请张小浩进入答题区。
门关上了。
播音员:现在开始是否八连问,第一题,除了天安门是否还有地安门?
董老师有有。
张小浩有(把铁闸往上按)。
播音员:叮咚,第二题,除了黑龙江是否还有白龙江?
张小浩都有吧(把铁闸往上按)。
播音员:叮咚。
董老师哎哟,厉害小浩。
播音员:第三题,除了旧金山是否还有新金山?
张小浩肯定有呀(把铁闸往上按)。
播音员:叮咚,第四题,除了西直门是否还有东直门?
董老师有有有。
张小浩有(把铁闸往上按)。
播音员:叮咚,第五题除了西直门是否还有西湾门?
张小浩西弯门?
董老师北京有吗?
张小浩有(把铁闸往上按)。
播音员:蹦。
董老师啊啊啊。
室外
张小丽啊,这都是些什么问题啊考反义词吗?
室内
播音员:重启是否八连问,第一题,时间还剩30秒,除了开封是否还有封开?
董老师有有。
张小浩把铁闸往上按。
播音员:叮咚,第二题,大笑的时候下巴是否可能脱臼?
董老师是的是的。
张小浩是(把铁闸往上按)。
播音员:叮咚,第三题,当人在害怕时视力是否会更好?
董老师是的是的。
张小浩是吗?
董老师惊慌失措瞳孔会缩小。
张小浩把铁闸往上按。
播音员:叮咚,时间还剩10秒,第四题,睡眠不足的人对疼痛的感知是否减少?
董老师对。
张小浩把铁闸往上按。
播音员:叮咚,时间到。
张小浩啊?
董老师完了,又到时间了。
张小浩时间到了?
播音员:回答正确,但是时间到了,请趴好做好准备。
啪啪啪。
张小浩等一下我护一下脸。
石锤向张小浩砸上。
张小浩唔,好疼
播音员:蹦,很遗憾,张小浩石锤密室历险失败。
董老师就只剩我一人了?
室外
张小丽董老师加油。
室内
播音员:请董老师进入答题区。
董老师行吧,开始吧,这上来就有点头晕呀!
室外
张小丽麦咭怎么能这样为难人家老师呀?董老师本来身体都不好。
室内
门关上了。
播音员:现在开始是否八连问,第一题,请听题,人在洗澡的时候唱歌是否会更好听?
董老师是(把铁闸往上按)。
播音员:叮咚,第二题,人在早上量身高是否会更高?
董老师是(把铁闸往上按)。
播音员:叮咚,第三题,白蚁是否是蚂蚁?
董老师是(把铁闸往上按)。
播音员:蹦。
董老师(着急着)啊。
播音员:重启是否八连问,第一题,金丝熊是否是熊?
董老师不是(把铁闸往下按)金丝熊是仓鼠类的。
播音员:叮咚,第二题,蜗牛是否是牛?
董老师肯定不是呀(把铁闸往下按)。
播音员:叮咚,第三题,请问企鹅是否是鹅?
董老师不是(把铁闸往下按)。
播音员:叮咚,第四题,荷兰猪是否是猪?
董老师荷兰猪也不是(把铁闸往下按)。
播音员:叮咚,时间还剩10秒。
董老师(着急)啊。
播音员:第五题,喷火鱼是否会喷火?
董老师不会(把铁闸往下按)。
播音员:蹦。
董老师啊啊。
播音员:时间到,请趴好,做好准备。
啪啪啪。
室外
张小丽啊,董老师小心。
董老师啊,完了完了(自己跳下去)。
石锤也砸过来了。
播音员:很遗憾,石锤密室历险失败。
麦咭麦咭麦咭麦咭,各位老师们感觉如何是不是题也没那么简单呀?
郑老师麦咭我们也考你一道题。
麦咭哈哈,那就来吧!
郑春旭老师别高兴早了我们已经想好了,就让咱们的主力担当唯一的专业老师来考你。
麦咭啊,那别别了。
潘老师行,我的问题是整个石锤密室包括所有的灯和这些机关的电流一共是多少安。
麦咭这这。
张小浩不知道了吧。
麦咭哪有哪有等我算好了下一期告诉你们,行了,快看看你们有几座石像?
郑老师几座?
董老师三座。
郑春旭老师不错了,不错了。
麦咭哇,恭喜你们获得了三座石像。
全体:耶。
潘老师来小浩拿的。
麦咭那我们快回到加油室事吧!
恭喜快乐星球剧组一共获得了三座石像。
全体:嗨。
张小丽(鼓掌)老师们真棒。
靳谷怎么样老师们。
童老师石锤密室很厉害吧?
张小浩这不是石锤是大石锤。
郑老师铁锤。
郑春旭老师对,铁锤。
麦咭麦咭麦咭麦咭。
靳谷解释一下你为什么要用铁锤来攻击我们呢?
麦咭那明明是石锤怎么成铁锤了呢?
张小丽不管是铁锤还是石锤反正打起都痛,我听着都痛。
全体:就是。
麦咭好了好了,既然要挑战就会有付出,有请快乐球出场,张小浩快来抽一抽下一个密室吧?
张小浩1号。
靳谷什么密室?
张小浩哇新石板密室耶!
麦咭那么要去我们新石板密室的有张小丽。
张小丽哇,石板密室耶是麦咭他们一直都有的密室。
麦咭还有潘老师和童老师。
张小浩哇,小丽,跟两位教师夫妇一起挑战感觉如何?
张小丽嗯。
靳谷紧张了?
全体:哈哈哈。
潘老师好了,不紧张了,我们两不都教过你的了吗?
麦咭准备好了吧,我们就一起出发吧!
潘老师走了,出发。
全体:加油。
音乐串烧《我们去探险快乐小神仙》
潘老师来咯,这地板好滑哟。
童老师特别滑,可能就是为了让我们滑下去吧?
潘老师就是为了让我们掉。
童老师对,为了,让我们掉下去。
潘老师小丽,你倒是说几句话呀?
张小丽啊,嗯。
童老师怎么不说了?
室外
靳谷哈哈,张小丽不知所措了。
郑老师主要是夫妻之间聊天她在旁边不好意思。
室内
潘老师看来我给想办法怎么让他不紧张呀?
石桥收回。
麦咭麦咭麦咭麦咭,怎么了让那谁不紧张呢?
童老师让小丽不紧张。
麦咭那能行吗?
童老师他能行,他经常给小丽鼓励。
麦咭是这样吗小丽。
张小丽啊,什么?
麦咭我说潘老师是不是给了你很多鼓励?
张小丽是潘老师给我很多自信。
麦咭那行了你们感觉如何我的石板密室?
童老师Good,good.
潘老师Very good.
麦咭哈哈,又飙英语呀,老师们,那看看我的深渊如何?
童老师好高呀!
潘老师Very tall.
麦咭看来两位老师默契度100%呀!
室外
郑春旭老师不100%怎么当夫妻啊?
室内
麦咭那小丽感觉如何呢?
张小丽啊!嗯,还好吧!
麦咭不高吗?
张小丽高是高,但是不吓人。
麦咭这还差不多不要紧张嘛,小石阶出来吧!快快快快去小石阶趴着,来来来小石板升起来。
潘老师好了小丽不要紧张了,我经常对你说继续加油,除了学习上要加油,这次挑战也要加油哦,你是最棒的,我们一起加油。
张小丽好的,谢谢潘老师的鼓励。
麦咭哇塞,能得到老师的鼓励是多么幸运呀!麦咭都羡慕了。
张小丽好的。
童老师怎么还在升呀?
室外
郑春旭老师哇,升的好高呀!
张小浩我记得这个石板好像有70度最高的时候。
郑老师啊(大吃一惊)。
提示:倾斜度70。
室内
麦咭哇好了小石板已经就位了,大家加油吧!
室外
靳谷哇一开始就70度。
董老师完全已经升到顶了。
室内
张小丽好高呀!
童老师离天花板好近呀。
潘老师没事加油加油。
蹦,崩崩蹦。
播音员:新石板密室历险现在开始。
第二石阶升起。
播音员:请选派一人移动到第二石阶进行答题,中间圆柱开始伸缩。
潘老师肯定我来呀!
童老师太滑了,你小心呀!
室外
靳谷(指了指圆柱)啥玩意儿?
郑春旭老师哈哈,那是个啥?
郑老师我眼睛没花吧,怎么有的东西一上一下的?
董老师他就是一上一下的想把人弹飞。
张小浩这绝对是新版的比以前难的多,以前是从下面开始,现在是从上面开始更危险,而且中间还多了个那东西。
室内
童老师这中间那东西怎么过去啊?太吓人了。
潘老师没事没事我来相信我。
室外
郑春旭老师我看了这关,我觉得石锤密室好轻松呀!
张小浩所以这就是第1季到第8季再到现在麦咭一直唯一保留的一个关卡。
郑老师我的天。
董老师所以这就是麦咭派他们两口子上的原因。
郑老师哈哈,好男人保护好他的妻子。
室内
潘老师我看一看怎么过去。
童老师抓的那东西过去。
潘老师我觉得还不如直接过去拼了拼了,为了童童和小丽的安全。
张小丽潘老师加油。
童老师你必须要站在那接我和小丽。
潘老师好。
室外
全体:加油,加油,加油。
董老师加油潘哥。
郑春旭老师加油。
室内
潘老师好,准备来了。
室外
郑老师(紧张的)来了来了。
室内
张小丽加油潘老师。
潘老师啊。
室外
郑春旭老师唔。
郑老师(激动的)啊呀。
潘老师完美一跃很轻松的滑过去了。
室内室外全体:哇(鼓掌)。
室外
郑春旭老师(鼓掌)厉害厉害好棒呀!
靳谷不可思议。
室内。
童老师成功。
张小丽耶。
童老师好厉害(向潘老师竖起的大拇指)。
潘老师也微笑的回了个大拇子。
室外
郑春旭老师哈哈小丽又看懵了。
郑老师夫妻之间的默契现在对于小丽要懂的话很困难。
室内
潘老师来出题吧!
播音员:蹦,第一阶段挑战开始回答正确则圆柱收回。

播音员:请看图猜成语?
童老师15MIN?
室外
郑春旭老师一刻千金,千金一刻。
室内
潘老师千金一刻。
播音员:叮咚回答正确千金一刻圆柱收回,请其他的移动至第二石阶。
潘老师我出来点,然后童童把小丽送过来,然后我就接她。
童老师行,小心点小丽。
潘老师哎,对,来,我把手伸过来,小丽抓住我手,不要不好意思了,刚才我滑过来的是谁在喊加油!现在该你加油,快点抓紧我手,对很棒,哎(把张小丽拉过去)小丽最棒了。
室外
郑老师那童姐怎么办呀?也没有人推她呀。
董老师实际上最后一个过去是最难的。
室内
潘老师童童你也一样,我尽量往外面移小丽拉紧我,我好接你,你再往外面移一下,来手,好好好拉住了过来吧!
室外
全体(鼓掌)哇。
郑春旭老师(鼓掌)厉害厉害。
董老师(鼓掌)不容易呀!
张小浩刚才是最考默契和合作的时候。
靳谷哈哈,怎么感觉像极了三口之家?
郑老师有点像极父母保护孩子男人保护女人。
张小浩两位老师都做到位了的,只有张小丽孩子的角色没有做到位。
郑春旭老师不过小丽在潘老弟的鼓励下还是慢慢的克服了紧张。
郑老师这说明我们要多鼓励学生。
董老师对,这样才能给他们更多的自信。
室内
播音员:蹦,第二轮挑战开始。
第三石阶升起。
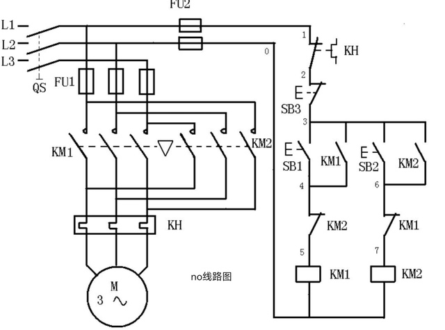
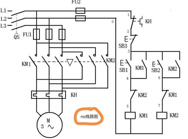
播音员:请完成一道三选一选择题,请听题请问正确的是?(A.自锁控制线路图 B.互锁控制线路图 C.连点控制线路图)

张小丽哇。
潘老师小丽来回答这些你们都学过的。
张小丽互锁控制线路图选B。
潘老师对很棒,好,我过去吧,肯定要移过去答。
张小丽那老师连点控制线图路是什么呀?
潘老师这个你不用管他根本没有这种线路图。
播音员:请选派一人在前往第三石阶的过程中接住石板顶部掉落的选项球并将选项球放入第三石阶对应的答题区内等待判题。
蹦
球掉下来了都没反应过来。
潘老师哇,这么快?
童老师嗯。
潘老师好,滴完了就放是吧?好,来,只能运用篮球的技巧。
潘老师很成功的接住球再次完美飞跃。
室外
全体:哇。
靳谷哇噻。
郑老师厉害。
董老师会打篮球的人太厉害了。
室内
张小丽(笑着)厉害呀潘老师。
童老师(也笑了)这必须需要有体力的人,不然一下就下去了。
潘老师OK,B(把球放在了B)。
播音员:请趴好等到判题。
潘老师等一下还是老规矩,先把小丽送过来我再来接你。
童老师好。
播音员:蹦,崩崩崩,蹦。
潘老师错了?
播音员:回答错误。第三石阶收回。
室内室外全体(大吃一惊):啊?
潘老师怎么回事?你们照顾好自己,啊。
童老师潘。
张小丽潘老师小心。
播音员:蹦,很遗憾,潘老师新石板密室历险失败,请选派一人继续作答。
室外
郑老师现在怎么办呀?潘哥已经掉下去了。
室内
张小丽(着急的)为什么呀?这明明就是互锁线路图而且还是接触器互锁KM不是接触器吗?而且互锁线路图只有接触器互锁按钮互锁还有按钮接触器复合互锁三类就这三个呀?
室外
董老师小丽急了。
郑春旭老师哈哈,怎么刚才还紧张,现在又急了?
张小浩怎么感觉小丽讲知识点呢?靳谷你也在学电工,你知道这道题的答案吗?
靳谷我我不知道,不过我只知道我们真的只学了互锁和自锁两种线路图没有学连点线路图。
室内
张小丽考我们一个教电工的老师和一个学电工的学生关于电工的题,而且还是我们知道的反而说是错的,麦咭不是坑我们吗?
童老师好了小丽别着急了,你再想一想你们学过的其他知识?
张小丽我们这一学期学过的电工就只有电动控制线路图自锁控制线路图和互锁控制线路图这三种呀!
童老师那就自锁吧A,那我就过去了。
张小丽不是童老师,我主要是觉得现在2选1真的很难选,感觉都是错的。
室外
郑老师感觉都是错的,我知道了这道题有陷阱。
靳谷什么意思。
郑老师就是这道题跟我们想象中的不一样。
张小浩对麦咭最喜欢设陷阱了。
室内
童老师行就是自锁了,不是的话全部都排除了只有C了。
张小丽行吧。
童老师你也要做好准备哟。
室外
全体:麦咭有坑。
室内
童老师嗯,他们在说什么?
张小丽你们在说什么?
室外
全体:麦咭有坑。
室内
张小丽麦咭有坑?
蹦
球掉下来,大家都没有反应过来。
童老师开始了这球掉落的太快了,来吧,看这东西能不能拉着慢慢的过去,可以。
张小丽童老师加油加油。
蹦
童老师球是拿住了,但是石阶没有踩完踩到一半掉下去了。
童老师对不起小丽,啊。
室外
全体:啊。
室内
播音员:蹦,很遗憾,童老师新石板密室历险失败,请继续作答。
张小丽唉。
室外
董老师完了,只剩下小丽一人了。
郑春旭老师我觉得这会给小丽留下很深刻的印象,当和他一起闯关的老师们都失败以后,他自己能不能解决这个问题?
室内
张小丽在回忆。
潘老师怎么回事?你们照顾好自己,啊。
童老师对不起小丽,啊。
张小丽潘老师童老师你们都下去了,我怎么办呀?
室外
全体:张小丽加油,小丽加油!
室内
张小丽听到大家给他加油,非常感动,再次回想潘老师对她的鼓励。
潘老师好了小丽不要紧张了,我经常对你说继续加油,除了学习上要加油,这次挑战也要加油哦,你是最棒的,我们一起加油。
潘老师来,我把手伸过来,小丽抓住我手,不要不好意思了,刚才我滑过来的是谁在喊加油!现在该你加油,快点抓紧我手,对很棒,哎(把张小丽拉过去)小丽最棒了。
张小丽(心想)我不能辜负大家对我的希望,潘老师曾经说过面对挫折和困难一定要勇往直前,才能收获我美好的未来,这个困难我一定要克服才能取得成功,虽然现在只剩我一个人了,但是大家都在我鼓励(现实)我一定会带着大家的动力向前,麦咭麦咭麦咭。
麦咭麦咭麦咭麦咭,哦,怎么了小丽遇到困难了吗?
张小丽只有我一个人了,你能给我一个绳子求助一下你可以吗?
麦咭啊,就你一个人的呀,这么可怜?
张小丽点了一下头。
麦咭嗯,看你勇气可嘉的份上,要不麦咭给你一根绳子吧!
张小丽谢谢麦咭。
麦咭那你要好好努力哟,一定要闯过这一关哦。
张小丽嗯。
麦咭好加油啦。
室外
郑春旭老师小丽真棒加油!
全体:加油,加油(鼓掌)。
室内
蹦
绳子掉下来了。
张小丽我要抓住绳子(抓住了绳子)。
播音员:请注意接球。
球掉下来了,由于掉的太快张小丽有点着急去接差点滑下去了还好刹住车了。
室外
郑老师哇。
郑春旭老师哦哦。
全体为他着急。
室内
张小丽(看着无底深渊紧紧的抓住绳子)怎么回去呀?
室外
郑老师加油小丽。
董老师加油加油。
张小浩加油小丽。
小丽努力的往上爬。
蹦
靳谷来了接住接住。
郑春旭老师拿球拿球。
室内
张小丽(一脚想把球踢过去,但是没有踢到了石阶的一半掉下去,费力的)哇,啊,上去不了呀!
室外
郑老师加油小丽。
郑春旭老师加油撑住来了。
蹦。
还是差一点。
郑春旭老师没事继续。
董老师加油
第三次终于成功了,球在石阶前跳跃还好没有掉下去。
郑春旭老师哎哟唔唔唔哇噻哈哈。
郑老师哎呀(鼓掌)。
董老师哇呀呀呀耶(鼓掌)。
全体鼓掌。
室内
张小丽(慢慢的移过去)哎呀唉唉唉。
室外
郑老师可以的,马上就成功了。
室内
张小丽(费力的)哇啊啊(终于移到了第三石阶)。
室外
全体鼓掌。
郑春旭老师(鼓掌)可以的,可以的。
郑老师(鼓掌)哇。
董老师(鼓掌)哇,棒。
靳谷关键球还在那。
张小浩太厉害了。
郑老师小丽棒,小丽好样的。
室内
张小丽唉唉,休息一下。
室外
郑春旭老师好好的歇一下,他没记时间。
一分钟后。
张小丽咳,这道题互锁是错的,而且这个很明显不是自锁,就要另外找思路,刚才大家说麦咭有坑就说明我们想象的答案跟正确答不符,也就是说最不可能的答案就是正确答案,刚才潘老师也说了连点线路图根本没有,这就是最不可能的也就是正确答案选C(把球放到了C洞里)。
室外
董老师小丽分析的很有道理。
郑春旭老师真聪明。
室内
播音员:请趴好等待判题,蹦---。
室外全体在为张小丽祈祷。
室内
播音员:叮咚,回答正确。
张小丽(笑着)唉,终于可以松一口气了。
直播课上作业帮好成绩有人帮,作业帮直播课提醒您,因为图上的线路图三个字前面有一个no,所以想问的是不是线路图的就是连点线路图,直播课上作业帮好成绩有人帮,作业帮直播课为你加油。

室外
全体(鼓掌):哇---。
郑春旭老师厉害。
张小浩哇,简直没想到呀,小丽真的是。
靳谷漂亮漂亮。
郑老师没想到她靠自己闯过去了。
董老师一己之力。
蹦
播音员:第三轮挑战开启,请完成一道四选一选择题,请在选项球区域拿取正确的选项球在前往第四石阶的过程中将选项球放入答题洞等待判题请听题,如果你穿越到秦朝那你吃不到下面哪种水果?(A.猕猴桃 B.橘子 C.桃子 D.石榴)
室外
靳谷可能是猕猴桃吧?
郑春旭老师是石榴,石榴是从西域传过来的。
室内
张小丽猕猴桃,橘子,桃子,石榴?
室外
郑老师小丽是石榴。
郑春旭老师(大声)石榴。
张小丽好石榴(在D选项内拿出绿色的球)。
张小浩(大吃一惊,指的小洞)那个洞?
董老师对,在他的上面,那,看到没,那?
靳谷啊?
室内
张小丽(看着那小洞又看了第四石阶)唉(摇了摇头)。
室外
郑春旭老师小丽不慌再缓一缓了来。
室内
张小丽(心想)再拼一把吧!(再次抓着绳子)哎(慢慢的往旁边移)。
室外
全体:哇。
张小丽想把球投进洞里,结果没投进差点掉下去了幸好接住了。
全体:哦,哎哎哎。
张小丽怕球再次掉努力的往上爬,爬到洞旁边把球放进洞里,还用手挡住洞口生怕掉下去,成功的放进去了。
全体(鼓掌):哇,厉害。
室内
播音员:请移动至第四石阶。
张小丽慢慢的蠕过去。
室外
张小浩起来了起来了。
郑老师拖两下。
郑春旭老师好,可以松手了,可以松手了。
室内
张小丽唉,啊,哎呀(看了看下面的石阶松手成功的到达)下来了。
播音员:请等待判题,叮咚,回答正确。
室外
全体:哇。
张小丽终于松了口气躺在石板上。
郑春旭老师太棒了。
董老师哇,好厉害。
郑老师主要是进步太大了,从一开始的紧张到最后一个人完成挑战。
室内
播音员:恭喜新石板密室历险成功。
张小丽躺在石板上激动的流下了眼泪。
室外
董老师小丽激动都哭了。
郑老师主要是太不容易了。
郑春旭老师(大声的)张小丽最棒。
室内
潘老师哎呀呀,小丽太棒了,太厉害了。
张小丽(爬起来擦了擦眼泪站着)潘老师童老师你们上来?
潘老师怎么哭了?
张小丽太激动了。
童老师好了(拥抱张小丽安慰)的确不容易真的是太棒了。
潘老师(拍了拍张小丽的肩)很不错,继续加油。
麦咭麦咭麦咭麦咭,哇,张小丽你太厉害了吧!你是我见多最有勇有谋的小勇士了,嘿嘿嘿来采访谈谈你怎么这么勇敢呢?
张小丽因为大家都在为我加油,而且我想着潘老师刚才对我的鼓励让我有了勇气,而且我想到了潘老师曾经对我说的一句话面对挫折或困难要勇往直前才能收获我美好的未来,所以我带着这些动力才能闯关成功。
潘老师真棒(竖起大姆指)。
麦咭哇,看来老师给学生鼓励是学生最大的动力呀,那我们来看看宝箱里面有几座石像吧!
童老师哇,这么多,小丽你太棒了。
潘老师对呀,这里面大部分都是你获得的呀真厉害为你点赞。
麦咭恭喜恭喜恭喜你们获得了四座石像,真棒,让我们回到加油室吧。
恭喜快乐星球剧组一共获得了七座(3+4=7)石像
疯狂的麦咭之快乐星球六成功磅
1.新石板密室(挑战者:张小丽、潘老师、童老师)
全体:哇,小丽小丽好厉害好厉害。
郑春旭老师太厉害了哇,瞬间变成了青春榜样。
郑老师我们的小勇士小丽顺利归来。
麦咭麦咭麦咭麦咭,Hello,欢迎我们的小勇士回来,真是太棒了。
张小浩小丽想问一下你为什么一开始很紧张到最后这么勇敢了呢?
张小丽因为大家的鼓励让我更有勇气。
董老师唔,厉害厉害,真谦虚。
麦咭接下来有请我的好朋友快乐球,靳谷来抽一抽下一个密室吧!
靳谷2号。
麦咭唔,石像密室耶,那么要去到石像密室的有靳谷和郑春旭老师。
靳谷唔我和郑老师一起挑战。
麦咭还有张小丽和郑妙老师。
郑春旭老师哇,小勇士再次挑战。
郑老师我和我们的小勇士一组哟。
麦咭嗯,这团队不错,两对师生,那祝你们挑战成功,我们出发吧。